爱技术

 找回密码
 注册会员

QQ登录

只需一步,快速开始

微信登录

微信扫一扫,快速登录

搜索
查看: 606|回复: 9
收起左侧

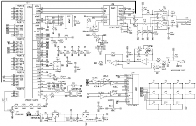
这是S75的电路图吗?

[复制链接]
发表于 2009-8-27 08:39:01 | 显示全部楼层 |阅读模式

马上注册,结交更多好友,享用更多功能,让你轻松玩转社区。

您需要 登录 才可以下载或查看,没有帐号?注册会员 微信登录

x
本帖最后由 手扶拖拉机 于 2009-8-27 14:43 编辑

4.JPG
发表于 2009-8-27 17:04:10 | 显示全部楼层
第一次看到
回复 支持 反对

使用道具 举报

发表于 2009-8-27 22:06:06 | 显示全部楼层
看不懂的路过
回复 支持 反对

使用道具 举报

发表于 2009-8-27 23:28:27 | 显示全部楼层
应该是的!
因为在西客站里面有得下载。名字好像曰:电路图
回复 支持 反对

使用道具 举报

发表于 2009-8-28 17:05:03 | 显示全部楼层
很遗憾,这个肯定不是。S75的CPU是PMB8876,你的图里是AT89C51。所以肯定不是。
回复 支持 反对

使用道具 举报

发表于 2009-8-28 21:24:47 | 显示全部楼层
楼上正解!
回复 支持 反对

使用道具 举报

发表于 2009-9-2 09:43:11 | 显示全部楼层
c51也能做手机,有才
回复 支持 反对

使用道具 举报

发表于 2009-9-2 10:58:10 | 显示全部楼层
我觉的这个有可能是个MP3的原理图
回复 支持 反对

使用道具 举报

发表于 2009-9-2 12:02:59 | 显示全部楼层
仔细一看,有microphone,键盘,看来还真是个手机
回复 支持 反对

使用道具 举报

发表于 2009-9-2 15:44:01 | 显示全部楼层
错。这个很有可能是MP3。
有USB口(这个51自带的),有MMC接口,有DCA的SPI输出。
有microphone,键盘可不一定是手机。有ANT和SIM座才可以肯定是。
回复 支持 反对

使用道具 举报

您需要登录后才可以回帖 登录 | 注册会员 微信登录

本版积分规则

小黑屋|Archiver|手机版|爱技术 ( 沪ICP备08115260号-3 )

GMT+8, 2025-10-4 16:31

Powered by Discuz! X3.4 Licensed

Copyright © 2001-2020, Tencent Cloud.

快速回复 返回顶部 返回列表