爱技术

 找回密码
 注册会员

QQ登录

只需一步,快速开始

微信登录

微信扫一扫,快速登录

搜索
查看: 2897|回复: 29
收起左侧

[分享] 有关S75/M81的一些问题解决方案

[复制链接]
发表于 2009-1-12 05:35:33 | 显示全部楼层 |阅读模式

马上注册,结交更多好友,享用更多功能,让你轻松玩转社区。

您需要 登录 才可以下载或查看,没有帐号?注册会员 微信登录

x
前两天在明西区发了M81的拆机教程还有一些主板图
http://mobile.0110.cn/viewthread.php?tid=393369&extra=page%3D1
刚编辑完这准备发在三楼的帖子
系统提示超量了~~

忙了两天,今天晚上看了小媚儿QQ里的聚会照片,好羡慕啊!
上论坛突然想把这贴发在75区,貌似还是75区人多啊
研读西客站,有了有了新理解,跟大家分享一下

第一个问题
我买的M81是残疾:插上耳机显示耳机模式,用耳机听歌有时会连续跳歌,拔下耳机依然是耳机模式,手动调成其他模式无效,听筒话筒都失效,这是打电话只能带着耳机,重启后恢复正常。不插耳机有时会提示“已连接移动音乐盒”或“移动音乐盒电力不足”。后来问了那个卖手机的,绕了半天才说这机器从外国来的时候IC就坏了

找了一个耳转拆开,先把1、5断开,2、3依然连着,问题依旧;再把2、3断开,模式不会变了
耳转.JPG

想做耳转的用这个图就可以了

分析了一下电路图,得出结论:
IC问题.JPG

情况就是这样,回来试一下把M81Cv51刷成S7Cv47试试看能不能解决这个问题

今天查了一下官方的维修资料找到了这个IC,编号Z1501
Z1501.JPG

另外一份资料上写道: Z1501说明.JPG
用GOOGLE翻译:
该Z1501是一个5通道滤波器,过电压和ESD保护阵列,其目的是提供过滤不受欢迎的射频信号在800 - 4000MHz频段此外, Z1501包含二极管,以保护下游组件静电放电( ESD )电压

应该就是这个编号Z1501的IC出了问题,它控制TX、RX、CTS、RTS、DCD这几个定义的针脚,而控制耳机的的针脚也正在其中,所以,因他损坏造成故障的嫌疑很大

经过进一步查阅资料,使用infineon 8876 v2.1的西门子手机上都有这个编号Z1501的IC!!!

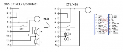
第二个问题,就是S75和M81之间的对比

saf.JPG

侧键触点.jpg


第三个问题,将M81Cv51刷成S7Cv47

这个已经是很早就有的东西了,最近想折腾,想把这个工程变得完美一点
看以前的老帖子,没有说充电器是否还能使用

NANO对比.jpg

前七个触点位置为一个系列,后五个为另一系列

电源对比.JPG

看了下,是肯定不能了

M81Cv51刷成S7Cv47后针脚定义会改变,耳机、DCA-140不能用了,但DCA-100还能用

HHS-150.JPG
DCA140定义.jpg DCA540定义.JPG
DCA-100  510.jpg

这段时间收一个废的M81,把那个Z1501换上,再把侧键电阻焊上,刷成S7Cv47,换上S75的皮(貌似好复杂

希望这篇文章能让有用处的人看到

搜过相关帖子,发现还都没解决问题,希望我这篇能帮助高手找到解决途径

我只实现了拆机,具体的更换元件我还是很怕的,找好东西了,找个专业的给整整

[ 本帖最后由 西机我最爱 于 2009-1-12 05:42 编辑 ]
 楼主| 发表于 2009-1-12 05:44:51 | 显示全部楼层
发帖发了一晚上

睡觉去

等着大家回话
回复 支持 反对

使用道具 举报

发表于 2009-1-12 08:36:51 | 显示全部楼层
这种帖子不顶对不起党,对不起国家,对不起楼主同志啊
回复 支持 反对

使用道具 举报

发表于 2009-1-12 08:59:01 | 显示全部楼层
不懂,但是帮顶
回复 支持 反对

使用道具 举报

发表于 2009-1-12 10:43:56 | 显示全部楼层
问哪个商家买的?论坛里的么?
回复 支持 反对

使用道具 举报

发表于 2009-1-12 10:45:10 | 显示全部楼层
照例帮顶
回复 支持 反对

使用道具 举报

发表于 2009-1-12 10:47:38 | 显示全部楼层
能力有限只能帮顶
回复 支持 反对

使用道具 举报

发表于 2009-1-12 13:19:29 | 显示全部楼层
M81变身S75?
回复 支持 反对

使用道具 举报

发表于 2009-1-12 14:42:19 | 显示全部楼层
恩,楼主研究半天,精神可嘉。。。。
回复 支持 反对

使用道具 举报

 楼主| 发表于 2009-1-12 15:59:20 | 显示全部楼层
机器是在淘宝上买的,忘了是哪家了,算了,正好研究研究

谁有跟我的M81/C81毛病不一样的机器的尸体?寄给我研究

我的M81还没变成S75呢

有需要的朋友请拜读toni的文章   S7C v47和M81C v51互刷
http://mobile.0110.cn/viewthread.php?tid=347771
回复 支持 反对

使用道具 举报

发表于 2009-1-13 19:38:32 | 显示全部楼层
ms看不懂
回复 支持 反对

使用道具 举报

发表于 2009-1-14 22:04:08 | 显示全部楼层
唯有帮顶
回复 支持 反对

使用道具 举报

发表于 2009-1-14 22:19:31 | 显示全部楼层
技术高手,帮顶,呵呵,很不错
回复 支持 反对

使用道具 举报

 楼主| 发表于 2009-2-4 17:07:44 | 显示全部楼层
我的第300贴~~肥水不流外人田
回复 支持 反对

使用道具 举报

发表于 2009-2-4 19:27:42 | 显示全部楼层
没遇见这问题,不过我们都需要这种研究精神,
回复 支持 反对

使用道具 举报

发表于 2009-2-8 21:37:51 | 显示全部楼层
LZ动手能力强 呵呵
回复 支持 反对

使用道具 举报

发表于 2009-3-6 16:48:12 | 显示全部楼层
回复 支持 反对

使用道具 举报

发表于 2009-3-10 14:20:39 | 显示全部楼层
好贴,我要顶
回复 支持 反对

使用道具 举报

发表于 2009-3-28 19:56:18 | 显示全部楼层
好贴,我也要顶下。。。。。。。。。。。。。。。。。
回复 支持 反对

使用道具 举报

发表于 2009-3-29 16:50:21 | 显示全部楼层
S75刷M81,风险大,刷了也没什么可玩的。只能当是研究研究了。
回复 支持 反对

使用道具 举报

您需要登录后才可以回帖 登录 | 注册会员 微信登录

本版积分规则

小黑屋|Archiver|手机版|爱技术 ( 沪ICP备08115260号-3 )

GMT+8, 2025-10-4 17:36

Powered by Discuz! X3.4 Licensed

Copyright © 2001-2020, Tencent Cloud.

快速回复 返回顶部 返回列表