爱技术

 找回密码
 注册会员

QQ登录

只需一步,快速开始

微信登录

微信扫一扫,快速登录

搜索
查看: 857|回复: 11
收起左侧

[求助] S75耳机的问题

[复制链接]
发表于 2010-3-29 18:32:45 | 显示全部楼层 |阅读模式

马上注册,结交更多好友,享用更多功能,让你轻松玩转社区。

您需要 登录 才可以下载或查看,没有帐号?注册会员 微信登录

x
本帖最后由 sln911 于 2010-4-5 07:54 编辑

耳机坏了……
发表于 2010-3-29 18:44:55 | 显示全部楼层
只能自己找线测试一下,找个MP3然后搭线试试
回复 支持 反对

使用道具 举报

 楼主| 发表于 2010-3-30 09:23:40 | 显示全部楼层
回复 2# askman_1


    请问这位兄台有没有S75耳机的接口针脚数据……
回复 支持 反对

使用道具 举报

发表于 2010-3-30 12:11:27 | 显示全部楼层
本帖最后由 272152498 于 2010-3-30 12:12 编辑

坏过几条耳机了 坏了再拆开重新焊接 就又可以用了  没用多久又坏了 我再接 ...反反复复
75的双耳太容易坏了 (我朋友是做维修的,都是找他接的)
  我准备有时间把它改成3.5的 , 扔了多浪费

  不用什么针脚的数据, 你对着颜色焊上去就是啦
回复 支持 反对

使用道具 举报

发表于 2010-3-30 23:36:02 | 显示全部楼层
回复 支持 反对

使用道具 举报

 楼主| 发表于 2010-3-31 16:54:29 | 显示全部楼层
本帖最后由 sln911 于 2010-4-5 07:55 编辑

回复 5# 两江闲人


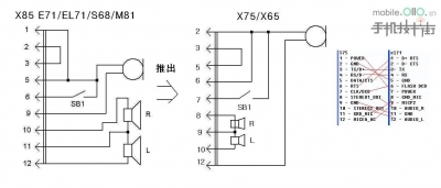
    20090112_a6bccd8d2018b26f67801SIhGkLRlzao.jpg


























嗯,找到线路图了。
回复 支持 反对

使用道具 举报

发表于 2010-3-31 20:52:52 | 显示全部楼层
本帖最后由 两江闲人 于 2010-3-31 21:14 编辑

回复 6# sln911


    用万用表测量耳机阻抗,依稀记得单声道为16欧姆左右。。。
再有就是看看是否尾插的问题,接触不良?
回复 支持 反对

使用道具 举报

 楼主| 发表于 2010-3-31 22:28:41 | 显示全部楼层
本帖最后由 sln911 于 2010-4-5 07:55 编辑

回复 7# 两江闲人
回复 支持 反对

使用道具 举报

 楼主| 发表于 2010-3-31 22:31:45 | 显示全部楼层
感觉就算右声道接触不良,播放单声道音乐和打电话时不应该左声道也没声音啊……
回复 支持 反对

使用道具 举报

 楼主| 发表于 2010-3-31 22:38:44 | 显示全部楼层
回复 4# 272152498


    嗯……拆那个耳机的插头么……?
回复 支持 反对

使用道具 举报

发表于 2010-3-31 23:30:51 | 显示全部楼层
回复  两江闲人


    谢这位仁兄。测耳机的哪两个引脚?我这个是带线控的双声道耳机啊,以前可以用的~ ...
sln911 发表于 2010-3-31 22:28



    测量8脚+9脚或者9脚+10脚之间的阻抗,我指的尾插是手机上的,非耳机插头。。。
回复 支持 反对

使用道具 举报

 楼主| 发表于 2010-4-1 20:24:14 | 显示全部楼层
回复 11# 两江闲人


    谢人胸~~ 试试去
回复 支持 反对

使用道具 举报

您需要登录后才可以回帖 登录 | 注册会员 微信登录

本版积分规则

小黑屋|Archiver|手机版|爱技术 ( 沪ICP备08115260号-3 )

GMT+8, 2025-10-4 09:50

Powered by Discuz! X3.4 Licensed

Copyright © 2001-2020, Tencent Cloud.

快速回复 返回顶部 返回列表